пн-пт: 8.30 - 18.30
сб: 9.00 - 16.00
вс: выходной
238310, Калининградская область
пос. Малое Васильково, ул. Большая Окружная, 8
info@hs39.ru
ГидравликаНасосыТипоразмер 2Шестеренный насос Размер 2 GR33
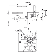
Шестеренный насос Размер 2 GR33

Европейский стандартный насос – посадочный размер 96,2 x 71,5 – Ø 36,5 – конический вал 1: 8 – фланцевое соединение
Благодаря особому зубчатому зацеплению достигается минимальное уровень шума этими насосами.
Окружность центров отверстий на напорной стороне: 30 / M6
Окружность центров отверстий на стороне всасывания: 40 / M8
Передний фланец, торцевая крышка: стальное литье

Наименование

VFU (куб. см) 
(cc)

p1 max. 
(bar)

p2 max. 
(bar)

p3 max. 
(bar)


(mm)


(mm)

Направление вращения

Частота вращения min. 
(rpm)

Частота вращения max. 
(rpm)

Вес 
(kg)

HK GR33 2C 010 F2AC4 F D

10,0

275

280

300

122,5

53,7

правовращающий

500

3000

3,60

HK GR33 2C 013 F2AC4 F D

13,0

265

270

290

127,4

56,2

правовращающий

500

3000

3,80

HK GR33 2C 015 F2AC4 F D

15,0

240

250

270

132,4

58,7

правовращающий

500

3000

3,90

HK GR33 2C 018 F2AC4 F D

18,0

205

250

270

138,2

61,6

правовращающий

500

3000

4,00