пн-пт: 8.30 - 18.30
сб: 9.00 - 16.00
вс: выходной
238310, Калининградская область
пос. Малое Васильково, ул. Большая Окружная, 8
info@hs39.ru
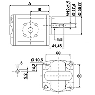
ГидравликаНасосыТипоразмер 2Шестеренный насос Размер 2 1 FSRA
Шестеренный насос Размер 2 1 FSRA

Немецкий стандартный насос – посадочный размер 60 x 60 – Ø 50 – конический вал 1: 5 – фланцевое соединение
Исполнение: Корпус тип ВН (крепление справа вверху, слева внизу)
Окружность центров отверстий на напорной стороне: 35 / M6
Окружность центров отверстий на стороне всасывания: 40 / M6
Материал Корпус: алюминий
Передний фланец, торцевая крышка: Алюминий

Наименование

VFU (куб. см) 
(cc)

p1 max. 
(bar)

p2 max. 
(bar)

p3 max. 
(bar)


(mm)


(mm)

Направление вращения

Частота вращения min. 
(rpm)

Частота вращения max. 
(rpm)

Вес 
(kg)

HK 2P 41 11 FSRA

4,2

260

280

300

87,2

38,6

левовращающий

700

3500

2,10

HK 2P 41 12 FSRA

4,2

260

280

300

87,2

38,6

правовращающий

700

3500

2,10

HK 2P 43 11 FSRA

6,0

260

280

300

90,2

38,6

левовращающий

700

3500

2,20

HK 2P 43 12 FSRA

6,0

260

280

300

90,2

38,6

правовращающий

700

3500

2,20

HK 2P 45 11 FSRA

8,4

260

280

300

94,2

50,6

левовращающий

700

3500

2,30

HK 2P 45 12 FSRA

8,4

260

280

300

94,2

50,6

правовращающий

700

3500

2,30

HK 2P 47 11 FSRA

10,8

260

280

300

98,2

45,0

левовращающий

700

3500

2,40

HK 2P 47 12 FSRA

10,8

260

280

300

98,2

45,0

правовращающий

700

3500

2,40

HK 2P 49 11 FSRA

14,4

250

270

290

104,2

45,0

левовращающий

700

3500

2,60

HK 2P 49 12 FSRA

14,4

250

270

290

104,2

45,0

правовращающий

700

3500

2,60

HK 2P 51 11 FSRA

16,8

230

250

270

108,2

45,0

левовращающий

700

3500

2,70

HK 2P 51 12 FSRA

16,8

230

250

270

108,2

45,0

правовращающий

700

3500

2,70

HK 2P 53 11 FSRA

19,2

210

230

250

112,2

45,0

левовращающий

700

3000

2,80

HK 2P 53 12 FSRA

19,2

210

230

250

112,2

45,0

правовращающий

700

3000

2,80